
| Model No |
SSE1616 |
| Image Format Cover |
1/3" ~ 1/4" |
| 焦点距离 |
16.0 mm |
| MAX光圈比率 |
1 : 1.6 |
| Iris光圈 |
操作 |
手动调节 |
| Iris Range |
F1.6 ~ Close |
| FocusOperation |
Focus 焦点 |
手调 |
| Scale |
|
视角
(D×H×V) |
1/4inch |
15.97° × 12.82° × 9.64° |
| 1/3 inch |
21.82° × 17.57° × 13.24° |
| 2/3 inch |
* * * |
| 1 inch |
* * * |
| Minimum Object DistanceMIN可视距离 |
0.7 m |
| Back Focal Length 后焦长度 |
10.21 mm |
| Effective Diameter |
Front 前部 |
φ10.5 mm |
| Rear 后部 |
φ7.5 mm |
| Filter Screw size |
* * * |
| Mount |
CS / 12.5mm |
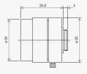
| Mechanical Dimension(D×L)机械尺寸 |
φ30mm × 26.8mm |
| Weight重量 |
39.5g |
| 应用温度环境 |
-10°C ~ +50°C (+14°F ~ +122°F) |
规格图
|